樱花动漫-樱花动漫官方最全里番社

阜新市档案馆(阜新市史志办公室)2021年度部门决算

日期: 2022-10-08 浏览量:1076 来源:阜新市档案馆(阜新市史志办公室) 责任编辑:李艳 文字大小:

目    录


第一部分  部门概况

  一、主要职责

  二、部门决算单位构成

第二部分  2021年度部门决算情况说明

  一、收入支出决算总体情况说明

  二、财政拨款收入支出决算情况说明

  三、一般公共预算财政拨款“三公”经费支出决算情况说明

  四、一般公共预算财政拨款基本支出决算情况说明

  五、其他重要事项的情况说明

第三部分  名词解释

第四部分  2021年度部门决算报表

  一、收入支出决算总表

  二、收入决算表

  三、支出决算表

  四、财政拨款收入支出决算表

  五、一般公共预算财政拨款支出决算表

  六、一般公共预算财政拨款基本支出决算表

  七、政府性基金预算财政拨款支出决算表

  八、一般公共预算财政拨款“三公”经费支出决算表

  九、国有资本经营预算财政拨款支出决算表


第一部分  部门概况

  一、主要职责

  (一)贯彻党中央关于档案、史志工作的方针政策和决策部署,执行国家有关法律法规,落实省、市委有关工作要求。

  (二)接收、收集保管范围内对国家和社会有保存价值的档案,对所保存的档案按照规定整理和保管。开发档案资源,为社会利用档案资源提供服务。负责档案信息化建设和技术保护工作。

  (三)负责党史研究、党史资料征编、党史遗址保护和纪念场馆指导工作,负责有关党史内容出版物和影视作品的审查工作。

  (四)负责征集、筛选、整理志鉴历史资料,编纂、出版阜新市志和阜新市地方综合年鉴,负责档案编研工作。

  (五)组织开展全地区与档案、党史、方志相关的科技和理论研究、成果交流。

  (六)完成市委交办的其他任务。

  二、部门决算单位构成

  纳入阜新市档案馆(阜新市史志办公室)2021年部门决算编制范围预算单位包括:

  辽宁省阜新市档案馆(阜新市史志办公室)本级

第二部分  2021年度部门决算情况说明

  一、收入支出决算总体情况说明

  (一)收入总计591.2万元,包括:

  1.财政拨款收入448.34万元,占收入总计的75.84%。其中:一般公共预算财政拨款收入448.34万元,政府性基金收入0万元,国有资本经营预算财政拨款收入0万元。

  2.上级补助收入0万元,占收入总计的0%。

  3.事业收入0万元,占收入总计的0%。

  4.经营收入0万元,占收入总计的0%。

  5.附属单位上缴收入0万元,占收入总计的0%。

  6.其他收入0万元,占收入总计的0%。

  7.使用非财政拨款结余0万元,占收入总计的0%。

  8.上年结转和结余142.85万元,占收入总计的24.16%。主要是档案数字化专项款等。

  与上年相比,今年收入减少35.49万元,降低5.66%,主要原因:人员减少5人,调出2人,退休3人。

  (二)支出总计591.2万元,包括:

  1.基本支出444.79万元,占支出总计的75.24%。主要是为保障机构正常运转、完成日常工作任务而发生的各项支出,其中:工资福利支出342.89万元,对个人和家庭的补助支出18.09万元,商品和服务支出72.8万元,资本性支出11.01万元。

  2.项目支出146.4万元,占支出总计的24.76%。主要是档案数字化专项款等业务支出。

  3.上缴上级支出0万元,占支出总计的0%。

  4.经营支出0万元,占支出总计的0%。

  5.对附属单位补助支出0万元,占支出总计的0%。

  与上年相比,今年支出增加118.82万元,增长25.15%,主要原因:档案数字化专项款等。

  (三)年末结转和结余0万元。

  按照财政要求,年末结转资金全部收回,年末无财政拨款结转结余。

  二、财政拨款支出决算情况说明

  (一)总体情况。

  2021年度财政拨款支出591.2万元,其中:基本支出444.79万元,项目支出146.4万元。与上年相比,财政拨款支出增加118.82万元,增长25.15%,主要原因:档案数字化专项款。与年初预算相比,2021年度财政拨款支出完成年初预算的155.87%。

  (二)一般公共预算财政拨款支出情况。

  2021年度一般公共预算财政拨款支出591.2万元,按支出功能分类科目分,包括:一般公共服务支出550.56万元,占93.13%;科学技术支出1.53万元,占0.25%;社会保障和就业支出17.76万元,占3%;住房保障支出21.34万元,占3.61%。

  1.一般公共服务支出550.56万元,具体包括:

  (1)一般公共服务支出(类)档案事务(款)行政运行(项)381.66万元,主要是单位正常运转等支出,完成年初预算的112.84%,决算数大于年初预算数的原因主要是年初预算只是单位基本支出,而决算算数包括追加的基本支出和业务专项经费。

  (2)一般公共服务支出(类)档案事务(款)一般行政管理事务(项)9.44万元,主要是办公设备支出。

  (3)一般公共服务支出(类)档案事务(款)档案馆(项)159.46万元,包括档案日常维护费22.5万元和档案数字化专项款136.96万元。

  2.一般公共服务支出(类)社会科学(款)社会科学研究机构支出1.53万元,主要是日常基本支出。

  3、社会保障和就业支出(类)行政事业单位养老支出(款)事业单位离退休(项)17.76万元,是离退休人员等基本支出。

  4、住房保障支出(类)住房改革支出(款)住房公积金21.34万元。

  (三)政府性基金预算财政拨款支出情况。

  2021年度政府性基金预算财政拨款支出0万元。

  (四)国有资本经营预算财政拨款支出情况。

  2021年度国有资本经营预算财政拨款支出0万元。

  三、一般公共预算财政拨款“三公”经费支出决算情况说明

  2021年度一般公共预算财政拨款安排的“三公”经费支出0.64万元,完成年初预算的29.09%,决算数小于年初预算数的主要原因是严格控制公务用车使用范围。其中:因公出国(境)费0万元,公务接待费0万元,公务用车购置及运行维护费0.64万元。

  1.因公出国(境)费0万元。

  2.公务接待费0万元。

  3.公务用车购置及运行费0.64万元,占“三公”经费支出的100%。完成年初预算的29.09%,决算数小于年初预算数的主要原因是严格控制公务用车使用范围。比上年增加0.18万元,增长39.13%,主要是事业人员办理公务等原因。

  其中:公务用车购置费0万元。公务用车运行维护费0.64万元,主要用于车油、维修和保险等,截至年末使用一般公共预算财政拨款开支运行维护费的公务用车保有量1辆。

  四、一般公共预算财政拨款基本支出决算情况说明

  2021年度一般公共预算财政拨款基本支出444.79万元,其中:人员经费360.97万元,主要包括基本工资、津贴补贴、奖金、其他社会保障缴费、机关事业单位基本养老保险缴费、其他工资福利支出、离休费、退休费、抚恤金、生活补助、奖励金、住房公积金、采暖补贴、其他对个人和家庭补助的支出;日常公用经费83.82万元,主要包括办公费、印刷费、手续费、水费、电费、邮电费、取暖费、物业费、差旅费、因公出国(境)费用、维修(护)费、租赁费、会议费、培训费、公务接待费、劳务费、委托业务费、工会经费、福利费、公务用车运行维护费、其他交通费用、其他商品和服务支出、办公设备购置、专用设备购置、信息网络及软件购置更新。

  五、其他重要事项的情况说明

  (一)机关运行经费支出情况。

  阜新市档案馆(阜新市史志办公室)是财政全额拨款的事业单位。

  (二)政府采购支出情况。

  2021年政府采购支出总额136.96万元,其中:政府采购货物支出21.36万元,政府采购服务支出115.6万元。授予中小企业合同金额115.6万元,占政府采购支出总额的84.4%,其中:服务采购授予中小企业合同金额占货物支出金额的84.4%。

  (三)国有资产占用情况。

  截至2021年12月31日,共有车辆1辆,其中:其他用车1辆,其他用车主要是一般公务用车;单位价值50万元以上通用设备0台(套),单价100万元以上专用设备0台(套)。

  (四)预算绩效情况。

  1.预算绩效管理工作开展情况。

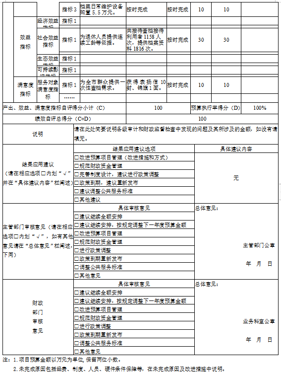
  (1)绩效自评情况。根据预算绩效管理要求,我部门组织对2021年度预算项目支出全面开展绩效自评,共涉及预算支出项目2个,涉及资金42.5万元,自评覆盖率(开展绩效自评的项目数/年初批复绩效目标的项目数)达到100%,自评平均分(开展绩效自评的项目分数总和/开展绩效自评的项目数)100分。组织对1个单位开展整体绩效自评,涉及资金448.34万元,自评平均分100分。

  (2)部门评价情况。我部门组织对“档案日常维护费”“《阜新年鉴》出版发行”等2 个项目开展了部门评价,涉及资金42.5万元。

  2.部门决算中项目绩效自评结果。

  (1)“档案日常维护费”项目自评综述:根据年初设定的绩效目标,项目自评得分100分。项目全年预算数为22.5万元,执行数为22.5万元,完成预算的100%。

  (2)“《阜新年鉴》出版发行”项目自评综述:根据年初设定的绩效目标,项目自评得分100分。项目全年预算数为20万元,执行数为20万元,完成预算的100%。

1.jpg 

2.png 

3.png 

4.png 

5.png 

6.png 

7.png 

8.png 

第三部分  名词解释 

  1.财政拨款收入:指单位从同级财政部门取得的财政预算资金。

  2.上级补助收入:指单位从主管部门和上级单位取得的非财政性补助收入。

  3.事业收入:指事业单位开展专业业务活动及辅助活动所取得的收入。

  4.经营收入:指事业单位在专业业务活动及辅助活动之外开展非独立核算经营活动取得的收入。

  5.附属单位上缴收入:指单位附属的独立核算单位按照规定上缴的收入。

  6.其他收入:指除上述“财政拨款收入”、“上级补助收入”、“事业收入”、“经营收入”、“附属单位上缴收入”等以外的收入。

  7.使用非财政拨款结余:指事业单位按照预算管理要求使用非财政拨款结余弥补收支差额的金额。

  8.上年结转和结余:指以前年度尚未完成、结转到本年按有关规定继续使用的资金。

  9.基本支出:指保障机构正常运转、完成日常工作任务而发生的人员支出和公用支出。

  10.项目支出:指在基本支出之外为完成特定行政任务和事业发展目标所发生的支出。

  11.上缴上级支出:指事业单位按照财政部门和主管部门的规定上缴上级单位的支出。

  12.经营支出:指事业单位在专业活动及辅助活动之外开展非独立核算经营活动发生的支出。

  13.对附属单位补助支出:指事业单位用财政补助收入之外的收入对附属单位补助发生的支出。

  14.“三公”经费:指用一般公共预算财政拨款安排的因公出国(境)费、公务用车购置及运行费和公务接待费。其中,因公出国(境)费反映单位公务出国(境)的住宿费、旅费、伙食补助费、杂费、培训费等支出;公务用车购置及运行费反映单位公务用车购置费及燃料费、维修费、过路过桥费、保险费、安全奖励费用等支出;公务接待费反映单位按规定开支的各类公务接待(含外宾接待)支出。

  15.机关运行经费:指为保障行政单位和参照公务员法管理的事业单位运行,使用一般公共预算财政拨款安排的基本支出中用于购买货物和服务的各项资金,包括办公及印刷费、邮电费、差旅费、会议费、福利费、日常维修费、专用材料及一般设备购置费、办公用房水电费、办公用房取暖费、办公用房物业管理费、公务用车运行维护费以及其他费用。

  16.一般公共服务(类)财政事务(款)行政运行(项):反映行政单位(包括实行公务员管理的事业单位)的基本支出。

第四部分 2021年度部门决算表

  附件:市档案馆(市史志办)2021年决算公开报表.xls




打印
分享
返回列表