樱花动漫-樱花动漫官方最全里番社

辽宁省阜新市人民代表大会常务委员会办公室2021年度部门决算

日期: 2022-09-29 浏览量:987 来源:阜新市人民代表大会常务委员会办公室 责任编辑:李艳 文字大小:

目    录


第一部分  辽宁省阜新市人民代表大会常务委员会办公室概况

  一、主要职责

  二、辽宁省阜新市人民代表大会常务委员会办公室决算单位构成

第二部分  2021年度辽宁省阜新市人民代表大会常务委员会办公室决算情况说明

  一、收入支出决算总体情况说明

  二、财政拨款收入支出决算情况说明

  三、一般公共预算财政拨款“三公”经费支出决算情况说明

  四、一般公共预算财政拨款基本支出决算情况说明

  五、其他重要事项的情况说明

第三部分  名词解释

第四部分  2021年度辽宁省阜新市人民代表大会常务委员会办公室决算报表

  一、收入支出决算总表

  二、收入决算表

  三、支出决算表

  四、财政拨款收入支出决算表

  五、一般公共预算财政拨款支出决算表

  六、一般公共预算财政拨款基本支出决算表

  七、政府性基金预算财政拨款支出决算表

  八、一般公共预算财政拨款“三公”经费支出决算表

  九、国有资本经营预算财政拨款支出决算表

 

第一部分  辽宁省阜新市人民代表大会常务委员会办公室概况 

  一、主要职责

  1、在本行政区域内,保证宪法、法律、行政法规和上级人民代表大会及其常务委员会决议的遵守和执行;

  2、领导或者主持本级人民代表大会代表的选举;

  3、召集本级人民代表大会会议;

  4、讨论、决定本行政区域内的政治、经济、教育、科学、文化、卫生、环境和资源保护、民政、民族等工作的重大事项;

  5、根据本级人民政府的建议,决定对本行政区域内的国民经济和社会发展计划、预算的部分变更;

  6、监督本级人民政府、人民法院和人民检察院的工作,联系本级人民代表大会代表,受理人民群众对上述机关和国家工作人员的申诉和意见;

  7、撤销下一级人民代表大会及其常务委员会的不适当的决议;

  8、撤销本级人民政府的不适当的决定和命令;

  9、在本级人民代表大会闭会期间,决定副市长的个别任免;在市长和人民法院院长、人民检察院检察长因故不能担任职务的时候,从本级人民政府、人民法院、人民检察院副职领导人员中决定代理的人选;决定代理检察长,须报上一级人民检察院和人民代表大会常务委员会备案;

  10、根据市长的提名,决定本级人民政府局长、委员会主任的任免,报上一级人民政府备案;

  11、按照人民法院组织法和人民检察院组织法的规定,任免人民法院副院长、庭长、副庭长、审判委员会委员、审判员,任免人民检察院副检察长、检察委员会委员、检察员,批准任免下一级人民检察院检察长;

  12、在本级人民代表大会闭会期间,决定撤销个别副市长的职务;决定撤销由它任命的本级人民政府其他组成人员和人民法院副院长、庭长、副庭长、审判委员会委员、审判员,人民检察院副检察长、检察委员会委员、检察员,中级人民法院院长,人民检察院分院检察长的职务;

  13、在本级人民代表大会闭会期间,补选上一级人民代表大会出缺的代表和罢免个别代表;

  14、决定授予地方的荣誉称号。

  二、辽宁省阜新市人民代表大会常务委员会办公室决算单位构成

  2021年辽宁省阜新市人民代表大会常务委员会办公室决算编制范围仅为辽宁省人民代表大会常务委员会办公室本级,无其他二级预算单位。

第二部分  2021年度辽宁省阜新市人民代表大会常务委员会办公室决算情况说明 

  一、收入支出决算总体情况说明

  (一)收入总计1742.99万元,包括:

  1.财政拨款收入1693.99万元,占收入总计的97.19%。其中:一般公共预算财政拨款收入1693.99万元,政府性基金收入0万元,国有资本经营预算财政拨款收入0万元。

  2.上级补助收入0万元,占收入总计的0%。

  3.事业收入0万元,占收入总计的0%。

  4.经营收入0万元,占收入总计的0%。

  5.附属单位上缴收入0万元,占收入总计的0%。

  6.其他收入0万元,占收入总计的0%。

  7.使用非财政拨款结余0万元,占收入总计的0%。

  8.上年结转和结余49万元,占收入总计的2.81%。主要是项目资金结转及盘活资金拨款转为期初调整项。

  与上年相比,今年收入减少38.83万元,降低2.24%,主要原因:财政压缩经费,拨款收入减少。

  (二)支出总计1742.14万元,包括:

  1.基本支出1549.6万元,占支出总计的88.95%。主要是为保障机构正常运转、完成日常工作任务而发生的各项支出,其中:工资福利支出1080.4万元,对个人和家庭的补助支出210.15万元,商品和服务支出256.05万元,资本性支出3万元。

  2.项目支出192.54万元,占支出总计的11.05%。主要包括一般行政管理事务和人大会议等业务支出。

  3.上缴上级支出0万元,占支出总计的0%。

  4.经营支出0万元,占支出总计的0%。

  5.对附属单位补助支出0万元,占支出总计的0%。

  与上年相比,今年支出减少75.8万元,降低4.17%,主要原因:一是财政压缩经费拨款;二是机关合理安排支出,节约经费使用。

  (三)年末结转和结余0.86万元。

  主要是疫情影响形成的项目结余。与上年相比,今年结转结余减少11.38万元,降低92.97%,主要原因:合理安排支出,项目结余减少。

  二、财政拨款支出决算情况说明

  (一)总体情况。

  2021年度财政拨款支出1742.14万元,其中:基本支出1549.6万元,项目支出192.54万元。与上年相比,财政拨款支出减少75.8万元,降低4.17%,主要原因:一是财政压缩经费拨款;二是机关合理安排支出,节约经费使用。

  与年初预算相比,2021年度财政拨款支出完成年初预算的128.26%,其中:基本支出完成年初预算的125.31%,项目完成年初预算的158.27%。

  (二)一般公共预算财政拨款支出情况。

  2021年度一般公共预算财政拨款支出1742.14万元,按支出功能分类科目分,包括:一般公共服务支出1472.48万元,占84.52%;社会保障和就业支出201.85万元,占11.59%;住房保障支出67.81万元,占3.89%。

  1.一般公共服务支出1472.48万元,具体包括:

  (1)一般公共服务支出(类)人大事务(款)行政运行(项)1279.94万元,主要是在职职工工资福利支出、机关运转公用经费等支出,完成年初预算的122.54%,决算数年初预算数的原因主要是由于人员增减变动及工资福利支出政策调整,财政在执行中追加预算。

  (2)一般公共服务支出(类)人大事务(款)一般行政管理 事务(项)132.54万元,主要是人大常委会依法履职,完成立法、监督、联系代表等特定行政任务目标所发生的支出。完成年初预 算的214.99%,决算数大于年初预算数的原因主要是增加了人大会议表决系统集成服务及办公楼维修等项目支出。

  (3)一般公共服务支出(类)人大事务(款)人大会议(项)60万元,主要是市人代会会议费支出,完成年初预算的100%。

  2.社会保障和就业支出201.85万元,具体包括:

  (1)社会保障和就业支出(类)行政事业单位养老支出(款)行政单位离退休(项)107.6万元,主要是离休人员工资及离退休人员公用经费等支出,完成年初预算的88.07%,决算数小于年初预算数的原因主要是离退休人员病故等原因减少当年支出。

  (2)社会保障和就业支出(类)抚恤(款)死亡抚恤(项)94.25万元,主要是病故人员家属的一次性抚恤金及丧葬费补助费支出,年初预算为0。决算数大于年初预算数的原因是抚恤金及丧葬费补助费没有纳入年初预算,财政按照实际发生数追加预算。

  3.住房保障支出67.81万元。住房保障支出(类)住房改革 支出(款)住房公积金(项)67.81万元,主要是职工住房公积金单位缴费部分支出,完成年初预算的 97.05%,决算数与年初预 算数基本持平。

  (三)政府性基金预算财政拨款支出情况。

  2021年度政府性基金预算财政拨款支出0万元。

  (四)国有资本经营预算财政拨款支出情况。

  2021年度国有资本经营预算财政拨款支出0万元。

  三、一般公共预算财政拨款“三公”经费支出决算情况说明

  2021年度一般公共预算财政拨款安排的“三公”经费支出6.26万元,完成年初预算的22.36%,决算数小于年初预算数的主要原因是严格执行八项规定,加强管理,减少“三公”经费支出。其中:因公出国(境)费0万元,公务接待费0万元,公务用车购置及运行维护费6.26万元。

  1.因公出国(境)费0万元。

  2.公务接待费0万元。

  3.公务用车购置及运行费6.26万元,占“三公”经费支出的100%。完成年初预算的22.36%,决算数小于年初预算数的主要原因是严格执行八项规定,加强管理,减少“三公”经费支出。比上年减少7.54万元,下降54.64%,主要是加强车辆管理,厉行节约,减少了车辆保养及维修费支出等原因。

  其中:公务用车购置费0万元,当年购置公务用车0辆。公务用车运行维护费6.26万元,主要用于公务用车燃料费、维修费、过桥过路费、保险费等支出,截至年末使用一般公共预算财政拨款开支运行维护费的公务用车保有量10辆。

  四、一般公共预算财政拨款基本支出决算情况说明

  2021年度一般公共预算财政拨款基本支出1549.6万元,其中:人员经费1290.55万元,主要包括基本工资、津贴补贴、奖金、其他社会保障缴费、机关事业单位基本养老保险缴费、其他工资福利支出、离休费、退休费、抚恤金、生活补助、奖励金、住房公积金、采暖补贴、其他对个人和家庭补助的支出;日常公用经费259.05万元,主要包括办公费、印刷费、手续费、水费、电费、邮电费、取暖费、物业费、差旅费、因公出国(境)费用、维修(护)费、租赁费、会议费、培训费、公务接待费、劳务费、委托业务费、工会经费、福利费、公务用车运行维护费、其他交通费用、其他商品和服务支出、办公设备购置、专用设备购置、信息网络及软件购置更新。

  五、其他重要事项的情况说明

  (一)机关运行经费支出情况。

  2021年机关运行经费支出259.05万元,比上年减少1.75万元,与上年基本持平。

  (二)政府采购支出情况。

  2021年政府采购支出总额32.92万元,其中:政府采购货物支出0万元,政府采购工程支出0万元,政府采购服务支出32.92万元。授予中小企业合同金额32.92万元,占政府采购支出总额的100%,其中:授予小微企业合同金额0万元,占政府采购支出总额的0%;货物采购授予中小企业合同金额占货物支出金额的0%;工程采购授予中小企业合同金额占工程支出金额的0%;服务采购授予中小企业合同金额占服务支出金额的100%。

  (三)国有资产占用情况。

  截至2021年12月31日,共有车辆10辆,其中:副省级以上领导干部用车0辆,主要领导干部用车0辆,机要通讯用车1辆,应急保障用车6辆,执法执勤用车0辆,特种专业技术用车0辆,离退休干部用车2辆,其他用车1辆,其他用车主要是调研视察用车;单位价值50万元以上通用设备0台(套),单价100万元以上专用设备0台(套)。

  (四)预算绩效情况。

  1.预算绩效管理工作开展情况。

  (1)绩效自评情况。根据预算绩效管理要求,我部门组织对2021年度预算项目支出全面开展绩效自评,共涉及预算支出项目3个,涉及资金121.65万元,自评覆盖率(开展绩效自评的项目数/年初批复绩效目标的项目数)达到100%,自评平均分(开展绩效自评的项目分数总和/开展绩效自评的项目数)92.56分。组织对本单位开展整体绩效自评,涉及资金1742.99万元,自评平均分99.4分。

  (2)部门评价情况。我单位未进行此项评价。

  2.部门决算中项目绩效自评结果。

  (1)“阜新市第十六届人民代表大会第四次会议保障经费”项目自评综述:根据年初设定的绩效目标,项目自评得分99.53分。项目全年预算数为60万元,执行数为60万元,完成预算的100%。项目绩效目标完成情况:严格按照市人大会议费预算范围内开支,认真落实中央八项规定精神及省市具体规定,厉行节约,经费控制在预算范围内,支出依据合规,无虚列项目支出、截留挤占挪用、超标准开支和超预算开支。

  发现的主要问题及原因:一是预测性不强,对于疫情影响的情况估计不足,计划安排不够周密;二是各分项支出预算制定不够精确。下一步改进措施:一是要增强对当前情况的预测性,使计划的制定更为符合实际;二是要增强分项支出预算的准确性。

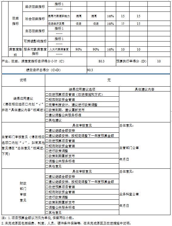
  (2)“市人大代表活动经费”项目自评综述:根据年初设定的绩效目标,项目自评得分90.3分。项目全年预算数为42.01万元,执行数为42.01万元,完成预算的100%。项目绩效目标完成情况:认真研究制定人大代表活动经费使用计划,严格按照人大代表经费使用计划及财务的有关制度规定使用代表经费。保证了代表经费使用的合规、合理及效果。

  发现的主要问题及原因:由于对疫情产生的影响估计不足,致使有些工作变动较大,且不断出现新情况,经费的使用计划多次进行调整;下一步改进措施:要增强工作的预测性,使计划的制定更为符合实际。

  (3)“阜新市人大常委会立法专项工作经费”项目自评综述:根据年初设定的绩效目标,项目自评得分87.85分。项目全年预算数为21.29万元,执行数为21.29万元,完成预算的100%。项目绩效目标完成情况:根据年度立法计划安排规范使用立法经费,按照《阜新市人大常委会立法经费使用规则》严格控制经费使用,确保了各项立法工作顺利完成。

  发现的主要问题及原因:受新冠肺炎疫情影响,下半年立法培训未能开展,部分论证项目也改变了原来的论证考察计划,导致办公经费和培训费未能按预算执行。下一步改进措施:进一步增强立法经费使用的规范性、计划性和有效性,使立法经费使用的全过程都公开透明、受到监督。

1.jpg 

2.png 

3.png 

4.png 

5.png 

6.png 

7.png 

8.png 

1664431350854.png 

第三部分  名词解释 

  1.财政拨款收入:指单位从同级财政部门取得的财政预算资金。

  2.上级补助收入:指单位从主管部门和上级单位取得的非财政性补助收入。

  3.事业收入:指事业单位开展专业业务活动及辅助活动所取得的收入。

  4.经营收入:指事业单位在专业业务活动及辅助活动之外开展非独立核算经营活动取得的收入。

  5.附属单位上缴收入:指单位附属的独立核算单位按照规定上缴的收入。

  6.其他收入:指除上述“财政拨款收入”、 “上级补助收入”、“事业收入”、“经营收入”、“附属单位上缴收入”等以外的收入。

  7.使用非财政拨款结余:指事业单位按照预算管理要求使用非财政拨款结余弥补收支差额的金额。

  8.上年结转和结余:指以前年度尚未完成、结转到本年按有关规定继续使用的资金。

  9.基本支出:指保障机构正常运转、完成日常工作任务而发生的人员支出和公用支出。

  10.项目支出:指在基本支出之外为完成特定行政任务和事业发展目标所发生的支出。

  11.上缴上级支出:指事业单位按照财政部门和主管部门的规定上缴上级单位的支出。

  12.经营支出:指事业单位在专业活动及辅助活动之外开展非独立核算经营活动发生的支出。

  13.对附属单位补助支出:指事业单位用财政补助收入之外的收入对附属单位补助发生的支出。

  14.“三公”经费:指用一般公共预算财政拨款安排的因公出国(境)费、公务用车购置及运行费和公务接待费。其中,因公出国(境)费反映单位公务出国(境)的住宿费、旅费、伙食补助费、杂费、培训费等支出;公务用车购置及运行费反映单位公务用车购置费及燃料费、维修费、过路过桥费、保险费、安全奖励费用等支出;公务接待费反映单位按规定开支的各类公务接待(含外宾接待)支出。

  15.机关运行经费:指为保障行政单位和参照公务员法管理的事业单位运行,使用一般公共预算财政拨款安排的基本支出中用于购买货物和服务的各项资金,包括办公及印刷费、邮电费、差旅费、会议费、福利费、日常维修费、专用材料及一般设备购置费、办公用房水电费、办公用房取暖费、办公用房物业管理费、公务用车运行维护费以及其他费用。

  16.一般公共服务(类)财政事务(款)行政运行(项):反映行政单位(包括实行公务员管理的事业单位)的基本支出。 

第四部分  2021年度辽宁省阜新市人民代表大会常务委员会办公室决算表

  附件:2021年人大决算公开表.xls


打印
分享
返回列表